Computerised Train Controller with Braking and Two Operating Modes

The PCB at right is the finished prototype of the P675S, as soldered together by my six-year-old daughter. If it is this simple to build and simpler to operate, you might be forgiven for expecting weak features, but you will be surprised. It specifically supports separate Shunting and Cruising use, and adapts well to both small layouts and large layouts that are scale-correct, modelled without compression!

As usual, the design has a full User Manual (pdf, optimised for printing) that explains its operation in more detail.

Three of these controllers have been installed in my N-clam layout, expected to be completed by the end of 2005.

This controller has the following features:

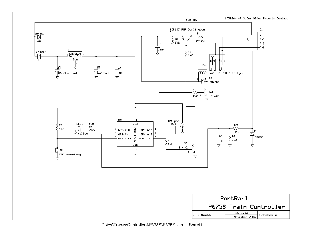
The PCB layout is shown at right and the circuit diagram is below.